
MPC8245LZU300D NXP USA Inc. से PowerPC 603E कोर पर आधारित एक उच्च-प्रदर्शन एकीकृत प्रोसेसर है, जो कुशल लागत, स्थान और बिजली प्रबंधन की आवश्यकता वाले एम्बेडेड अनुप्रयोगों के लिए अनुकूलित है।यह संस्करण 300 मेगाहर्ट्ज की एक मुख्य गति से संचालित होता है और एसडीआरएएम के 2 जीबी तक का समर्थन करता है, जिससे यह अनुप्रयोगों की मांग के लिए उपयुक्त है।इसमें 66 मेगाहर्ट्ज में सक्षम 32-बिट पीसीआई इंटरफ़ेस है, जो विभिन्न प्रकार के पीसीआई परिधीयों के साथ इसकी संगतता को बढ़ाता है।एकीकृत कार्यक्षमता में दोहरी सार्वभौमिक अतुल्यकालिक रिसीवर-ट्रांसमीटर (ड्यूर्ट्स), एक I andC नियंत्रक और एक दो-चैनल DMA नियंत्रक शामिल हैं, जो अन्य लोगों के बीच, जो जटिल प्रसंस्करण कार्यों को कुशलता से संभालने में इसकी बहुमुखी प्रतिभा में योगदान करते हैं।एक 352-बॉल टेप बॉल ग्रिड सरणी (TBGA) कॉन्फ़िगरेशन में पैक किया गया, MPC8245LZU300D 0 ° C से 105 ° C तक के तापमान में मजबूत प्रदर्शन के साथ एक कॉम्पैक्ट पदचिह्न सुनिश्चित करता है।
यदि आप MPC8245LZU300D के लिए एक बल्क ऑर्डर देना चाहते हैं, तो हमसे खरीदने पर विचार करें।हम यह सुनिश्चित करेंगे कि आप सबसे अच्छा सौदा प्राप्त करें और आपकी आगामी परियोजनाओं के लिए इस शक्तिशाली प्रोसेसर का पूरी तरह से लाभ उठा सकते हैं।
सुपरस्केलर आर्किटेक्चर:प्रोसेसर को प्रति घड़ी चक्र प्रति कई निर्देशों को निष्पादित करने में सक्षम बनाता है, कोर की दक्षता और गति को बढ़ाता है।
एकीकृत कैश:निर्देश कैश के 16 केबी और डेटा कैश के 16 केबी, जो आंशिक रूप से या पूरी तरह से बंद हो सकते हैं।यह अक्सर उपयोग किए जाने वाले डेटा तक पहुंचने में लगने वाले समय को कम करने में मदद करता है, जिससे प्रसंस्करण तेज हो जाता है।
डायनेमिक पावर मैनेजमेंट:NAP, DOZE और SLEEP जैसे पावर मैनेजमेंट मोड शामिल हैं, जो प्रोसेसर की परिचालन मांगों के आधार पर बिजली की खपत को कम करने में मदद करते हैं।
SDRAM समर्थन:32- या 64-बिट डेटा बस में SDRAM के 2 GB तक संभाल सकते हैं।यह कई कॉन्फ़िगरेशन का समर्थन करता है, अलग -अलग आकार और मेमोरी बैंकों के प्रकारों को समायोजित करता है।
त्रुटि सुधार:पीसीआई और प्रोसेसर एक्सेस के लिए बफरिंग लिखने जैसे तंत्र को नियोजित करता है, डेटा अखंडता तकनीकों जैसे कि समता, रीड-मॉडिफाई-राइट ऑपरेशंस, या ईसीसी (त्रुटि-सही कोड) के लिए समर्थन के साथ।
बहुमुखी ROM और I/O इंटरफेस:विभिन्न प्रकार के ROM और फ्लैश मेमोरी का समर्थन करता है और कई सामान्य-उद्देश्य I/O पोर्ट प्रदान करता है, जिससे यह विभिन्न सिस्टम आर्किटेक्चर के अनुकूल हो जाता है।
32-बिट पीसीआई बस:66 मेगाहर्ट्ज तक की गति पर काम करता है और पीसीआई 2.2 मानकों के अनुरूप है।यह इसके 5.0-वी सहिष्णुता के लिए पीसीआई परिधीयों की एक श्रृंखला के साथ हस्तक्षेप करने में भी सक्षम है।
दोहरे चैनल समर्थन:एक दो-चैनल डीएमए नियंत्रक है जो प्रत्यक्ष और चेनिंग मोड का समर्थन करता है, जो अधिक कुशल डेटा हैंडलिंग के लिए डेटा ट्रांसफर को स्वचालित और लिंक कर सकता है।
तितर बितर क्षमता:उन संचालन को सुविधाजनक बनाता है जो डेटा ट्रांसफर को प्रभावी ढंग से प्रबंधित करने के लिए एक ट्रांसफर कतार और कई इंटरप्ट विकल्पों से लैस गैर-सन्निहित मेमोरी सेक्शन से पढ़ने या लिखने से शामिल होते हैं।
संचार इंटरफेस:सीरियल कम्युनिकेशन के लिए दो UARTs और एक I isc कंट्रोलर शामिल हैं जो मास्टर और स्लेव मोड दोनों का समर्थन करते हैं, जो विभिन्न संचार आवश्यकताओं के लिए अनुमति देते हैं।
प्रोग्रामेबल इंटरप्ट कंट्रोलर:सिस्टम की जवाबदेही और नियंत्रण में सुधार करते हुए, हार्डवेयर और सीरियल इंटरप्ट का मजबूत प्रबंधन प्रदान करता है।
टाइमर और घड़ी पीढ़ी:पीसीआई बस और एसडीआरएएम के लिए घड़ियों को उत्पन्न करने के लिए चार प्रोग्रामेबल टाइमर और अंतर्निहित तंत्र को शामिल करता है, विभिन्न सिस्टम घटकों में सटीक समय और सिंक्रनाइज़ेशन सुनिश्चित करता है।

MPC8245LZU300D ब्लॉक आरेख दिखाता है कि प्रोसेसर और परिधीय कैसे बातचीत करते हैं।इसके दो मुख्य खंड हैं: प्रोसेसर कोर ब्लॉक और यह परिधीय तर्क खंड।प्रोसेसर कोर ब्लॉक कम्प्यूटेशन को संभालता है।इसमें शामिल हैं शाखा प्रसंस्करण इकाई, पूर्णांक इकाई (IU), फ़्रोटिंग-पॉइंट यूनिट (FPU), और लोड/भंडार इकाई (एलएसयू)।निर्देशों की मदद से निर्देश प्राप्त, संसाधित और कुशलता से निष्पादित किए जाते हैं 16-कबीट डेटा और निर्देश कैश। स्मृति प्रबंधन इकाइयाँ (एमएमयू) मेमोरी एक्सेस का प्रबंधन करें। परिधीय तर्क खंड प्रोसेसर को बाहरी उपकरणों से जोड़ता है।इसमें शामिल हैं डीएमए नियंत्रक फास्ट मेमोरी ट्रांसफर के लिए, ए I ofc नियंत्रक संचार के लिए, और ए संदेश एकक इनपुट/आउटपुट संचालन के लिए। पीसीआई बस इंटरफ़ेस विस्तार के लिए 32-बिट पीसीआई कनेक्शन का समर्थन करता है।ए स्मृति नियंत्रक सिस्टम मेमोरी को संभालता है, सहित एसडीआरएएम सिंक्रनाइज़ेशन घड़ियाँ।सिस्टम नियंत्रण के लिए, यह एक है चित्र अंतराल नियंत्रक यह विभिन्न स्रोतों से व्यवधान का प्रबंधन करता है। आंकड़ा पथ ईसीसी नियंत्रक डेटा अखंडता सुनिश्चित करता है, 32-बिट या 64-बिट डेटा बसों का समर्थन करता है या समता के साथ डेटा बसें ईसीसी (त्रुटि-सुधार कोड)।घड़ी के संकेत पसंद करते हैं Osc_in और Pci_sync_in चिकनी संचालन के लिए सब कुछ सिंक्रनाइज़ रखें।

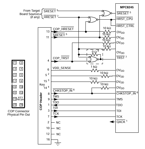
सिपाही कनेक्टर आरेख MPC8245LZU300D के लिए प्रोसेसर के परीक्षण और समस्या निवारण के लिए उपयोग किए जाने वाले डिबगिंग और रीसेट इंटरफ़ेस को दर्शाता है। 16-पिन कॉप हेडर प्रोसेसर को बाहरी से जोड़ता है JTAG/COP डिबगिंग उपकरण।प्रमुख संकेतों में शामिल हैं सरेसेट, हेरसेट, और COP_HRESET, जो नियंत्रण प्रणाली रीसेट करती है। Hrst_ctrl इनपुट लॉजिक गेट्स का उपयोग करके रीसेट को समन्वित करने में मदद करता है। Cop_trst रीसेट करना जेटग परीक्षण तर्क।JTAG सिग्नल: टीएमएस, टीडीओ, टीडीआई, और टीके सीमा स्कैन और इन-सर्किट डिबगिंग के लिए उपयोग किया जाता है। Chkstop_in सिग्नल डिबगिंग के दौरान प्रोसेसर को नियंत्रित करता है, जबकि Vdd_sense मॉनिटर्स सिस्टम वोल्टेज।पुल-अप और पुल-डाउन रेसिस्टर्स (10 k k, 1 k)) संकेतों को स्थिर करने में मदद करते हैं। क्यूक सिग्नल डिबगिंग समन्वय में सहायता करता है। सीओपी कनेक्टर मानक JTAG पिनआउट का अनुसरण करता है, जिससे डिबगिंग टूल के साथ जुड़ना आसान हो जाता है।
|
प्रकार |
पैरामीटर |
|
उत्पादक |
एनएक्सपी यूएसए इंक। |
|
शृंखला |
Mpc82xx |
|
पैकेजिंग |
ट्रे |
|
भाग की स्थिति |
अप्रचलित |
|
कोर प्रोसेसर |
PowerPC 603E |
|
कोर/बस चौड़ाई की संख्या |
1 कोर, 32-बिट |
|
रफ़्तार |
300MHz |
|
राम नियंत्रक |
एसडीआरएएम |
|
ग्राफिक्स त्वरण |
नहीं |
|
वोल्टेज - I/O |
3.3 |
|
परिचालन तापमान |
0 ° C ~ 105 ° C (TA) |
|
माउन्टिंग का प्रकार |
सतह पर्वत |
|
पैकेज / मामला |
352-LBGA |
|
आपूर्तिकर्ता युक्ति पैकेज |
352-TBGA (35x35) |
|
अतिरिक्त इंटरफेस |
I2C, I, o, PCI, UART |
|
आधार उत्पाद संख्या |
Mpc82 |
नेटवर्किंग उपस्कर
MPC8245LZU300D आदर्श रूप से राउटर, स्विच और नेटवर्क इंटरफ़ेस कार्ड जैसे नेटवर्किंग उपकरणों के लिए अनुकूल है।इसके मजबूत पीसीआई इंटरफ़ेस और एकीकृत संचार परिधीय उच्च गति डेटा स्थानान्तरण और कई संचार प्रोटोकॉल के कुशल प्रबंधन को सक्षम करते हैं।यह क्षमता नेटवर्क संचालन के प्रदर्शन और विश्वसनीयता को बढ़ाती है।
औद्योगिक स्वचालन
औद्योगिक स्वचालन में, यह प्रोसेसर पावरिंग सिस्टम जैसे प्रोग्रामेबल लॉजिक कंट्रोलर्स (पीएलसी), मशीन इंटरफेस (एचएमआई) और अन्य ऑटोमेशन मशीनरी में एक भूमिका निभाता है।नियंत्रण और निगरानी कार्यों को संभालने के लिए प्रोसेसर की क्षमता इसे आधुनिक औद्योगिक सेटिंग्स में एक महत्वपूर्ण घटक बनाती है, जिससे सटीक और कुशल प्रक्रिया प्रबंधन सुनिश्चित होता है।
भंडारण समाधान
MPC8245LZU300D की उन्नत मेमोरी इंटरफ़ेस और DMA क्षमताएं इसे स्टोरेज-संबंधित अनुप्रयोगों के लिए एक उत्कृष्ट विकल्प बनाती हैं, जिसमें RAID कंट्रोलर और स्टोरेज एरिया नेटवर्क (SAN) शामिल हैं।यह हाई-स्पीड डेटा एक्सेस और कुशल स्टोरेज मैनेजमेंट के प्रबंधन में उत्कृष्टता प्राप्त करता है, जो ऐसे वातावरण में महान हैं जहां डेटा अखंडता और त्वरित पहुंच प्राथमिकताएं हैं।
दूरसंचार
यह माइक्रोप्रोसेसर दूरसंचार उपकरणों, जैसे बेस स्टेशनों और गेटवे में उपयोग के लिए अच्छी तरह से अनुकूल है।कई डेटा धाराओं को कुशलता से संभालने और विभिन्न संचार प्रोटोकॉल का समर्थन करने की इसकी क्षमता दूरसंचार बुनियादी ढांचे की समग्र कार्यक्षमता और विश्वसनीयता में सुधार करने में मदद करती है।
अंतः स्थापित प्रणालियाँ
MPC8245LZU300D की बहुमुखी एकीकरण क्षमताएं इसे मोटर वाहन इलेक्ट्रॉनिक्स, इलेक्ट्रॉनिक्स और चिकित्सा उपकरणों में पाए जाने वाले एम्बेडेड सिस्टम के लिए एक प्रमुख उम्मीदवार बनाती हैं।एकीकृत बाह्य उपकरणों और इंटरफेस की इसकी सीमा इन उद्योगों की विशिष्ट आवश्यकताओं को पूरा करने के लिए विशेष, उच्च-प्रदर्शन वाले एम्बेडेड समाधानों के डिजाइन के लिए अनुमति देती है।
एकीकृत प्रणाली-ऑन-चिप (एसओसी) डिजाइन
MPC8245LZU300D प्रोसेसर कोर, मेमोरी कंट्रोलर और बाह्य उपकरणों को एक ही चिप में जोड़ता है।यह एसओसी दृष्टिकोण सिस्टम आर्किटेक्चर को सरल करता है, बाहरी घटकों की आवश्यकता को कम करता है, और विकास और उत्पादन दोनों चरणों में लागत में कमी का कारण बन सकता है।
उच्च प्रदर्शन प्रसंस्करण
प्रोसेसर 300 मेगाहर्ट्ज की आवृत्ति पर संचालित होता है और एक सुपरस्केलर आर्किटेक्चर को नियुक्त करता है, जो इसे प्रति घड़ी चक्र में कई निर्देशों को निष्पादित करने में सक्षम बनाता है।यह उच्च-प्रदर्शन प्रसंस्करण क्षमता कुशल संचालन सुनिश्चित करती है और ऐसे प्रोसेसर से बेहतर है जो इस तरह के समानता का समर्थन नहीं करते हैं, जिससे यह अनुप्रयोगों की मांग के लिए आदर्श है।
बहुमुखी स्मृति समर्थन
यह प्रोसेसर एसडीआरएएम के 2 जीबी तक का समर्थन करता है और इसमें एक उन्नत मेमोरी इंटरफ़ेस है जिसमें त्रुटि सुधार और बहुमुखी रोम और आई/ओ इंटरफेस शामिल हैं।मेमोरी सपोर्ट का यह स्तर लचीलापन प्रदान करता है, जिससे सिस्टम विशिष्ट एप्लिकेशन आवश्यकताओं को पूरा करने के लिए मेमोरी कॉन्फ़िगरेशन को अनुकूलित करने की अनुमति देता है, अधिक कठोर प्रणालियों पर एक लाभ।
व्यापक परिधीय एकीकरण
MPC8245LZU300D में एकीकृत संचार इंटरफेस जैसे UARTS और I AC कंट्रोलर, साथ ही प्रोग्राम करने योग्य टाइमर और इंटरप्ट कंट्रोलर शामिल हैं।यह व्यापक परिधीय एकीकरण अतिरिक्त बाहरी घटकों की आवश्यकता को कम करता है, समग्र डिजाइन को सरल बनाता है और विफलता के संभावित बिंदुओं को कम करके सिस्टम विश्वसनीयता में सुधार करता है।
कम बिजली की खपत
NAP, DOZE, और SLEEP जैसे मोड के साथ डायनेमिक पावर मैनेजमेंट की विशेषता, प्रोसेसर वर्तमान कार्यभार की मांगों के आधार पर अपने बिजली के उपयोग को अनुकूलित कर सकता है।इस क्षमता का उपयोग उन अनुप्रयोगों में किया जाता है जहां बिजली दक्षता की आवश्यकता होती है, अन्य प्रोसेसर पर बढ़त प्रदान करते हुए जिसमें इस तरह के विस्तृत बिजली नियंत्रण की कमी होती है।
|
पैरामीटर |
आयाम (मिमी) |
|
पैकेज रूपरेखा |
35 मिमी × 35 मिमी |
|
परस्पर |
352 |
|
आवाज़ का उतार-चढ़ाव |
1.27 मिमी |
|
सोल्डर बॉल्स |
ZU (TBGA पैकेज) -62 SN/36 PB/2 AG;वीवी (लीड-फ्री संस्करण
पैकेज का) -95.5 एसएन/4.0 एजी/0.5 घन |
|
सोल्डर बॉल व्यास |
0.75 मिमी |
|
अधिकतम मॉड्यूल ऊंचाई |
1.65 मिमी |
|
सह-प्रसार विनिर्देशन |
0.15 मिमी |
|
अधिकतम बल |
6.0 पाउंड।कुल, पैकेज पर समान रूप से वितरित (8)
ग्राम/गेंद) |

MPC8245LZU300D माइक्रोप्रोसेसर एक उत्पाद है एनएक्सपी यूएसए इंक, NXP सेमीकंडक्टर्स की एक सहायक कंपनी।एनएक्सपी अर्धचालक, जो फिलिप्स सेमीकंडक्टर्स से उभरे, इसके अमेरिकी संचालन का मुख्यालय ऑस्टिन, टेक्सास में है।यह प्रोसेसर, उनके व्यापक पोर्टफोलियो का हिस्सा, प्रदर्शन और कम बिजली की खपत के लिए अनुकूलित प्रौद्योगिकियों को एकीकृत करता है, जिससे यह विभिन्न प्रकार के एम्बेडेड अनुप्रयोगों के लिए उपयुक्त है।हालांकि MPC8245LZU300D को अप्रचलित के रूप में चिह्नित किया गया है, NXP USA Inc. नए अर्धचालक समाधानों के माध्यम से मोटर वाहन, औद्योगिक और IoT जैसे क्षेत्रों में सीमाओं को आगे बढ़ाते हुए अपने विरासत उत्पादों का समर्थन करना जारी रखता है।
MPC8245LZU300D एक मजबूत और विश्वसनीय प्रोसेसर है जो अनुप्रयोगों की मांग के लिए बनाया गया है।अपने तेज प्रसंस्करण, अंतर्निहित संचार सुविधाओं और स्मार्ट पावर-बचत मोड के साथ, यह सिस्टम को सुचारू रूप से और कुशलता से चलाने में मदद करता है।भले ही यह अब अप्रचलित है, यह अभी भी कई नेटवर्किंग, औद्योगिक और दूरसंचार परियोजनाओं में उपयोगी है।बिजली की बचत करते समय कई कार्यों को संभालने की इसकी क्षमता एक विश्वसनीय एम्बेडेड प्रोसेसर की तलाश में एक मूल्यवान विकल्प बनाती है।
कृपया एक जांच भेजें, हम तुरंत जवाब देंगे।
हां, MPC8245LZU300D को एक सुपरस्केलर आर्किटेक्चर के साथ बनाया गया है, जिससे यह प्रति घड़ी चक्र में कई निर्देशों को निष्पादित करने की अनुमति देता है।इसमें एक दो-चैनल डीएमए नियंत्रक शामिल है जो सीपीयू के स्वतंत्र रूप से डेटा ट्रांसफर का प्रबंधन कर सकता है, मल्टीटास्किंग क्षमताओं को बढ़ाता है।यह अनुप्रयोगों और एम्बेडेड सिस्टम के लिए एक उत्कृष्ट विकल्प बनाता है जिसमें समानांतर डेटा प्रोसेसिंग की आवश्यकता होती है।
प्रोसेसर 32- या 64-बिट डेटा बस का उपयोग करके एसडीआरएएम के 2 जीबी तक का समर्थन करता है।इसमें त्रुटि सुधार सुविधाएँ भी शामिल हैं जैसे कि समता जाँच और ईसीसी (त्रुटि-सुधार कोड), भंडारण समाधान, दूरसंचार उपकरण और औद्योगिक स्वचालन जैसे अनुप्रयोगों में डेटा अखंडता सुनिश्चित करना।
हां, MPC8245LZU300D में कई मोड (NAP, DOZE, और SLEEP) के साथ डायनेमिक पावर मैनेजमेंट की सुविधा है जो सिस्टम वर्कलोड के आधार पर बिजली की खपत को समायोजित करती है।यह इसे ऊर्जा-कुशल और बैटरी-संचालित या कम-शक्ति वाले एम्बेडेड सिस्टम के लिए उपयुक्त बनाता है।
MPC8245LZU300D 0 ° C से 105 ° C के तापमान सीमा के भीतर संचालित होता है, जिससे यह औद्योगिक और एम्बेडेड वातावरण के लिए उपयुक्त हो जाता है जो अलग -अलग थर्मल स्थितियों के तहत मजबूत प्रदर्शन की आवश्यकता होती है।
हां, MPC8245LZU300D राउटर, स्विच और नेटवर्क इंटरफ़ेस कार्ड (NICs) जैसे नेटवर्किंग अनुप्रयोगों के लिए आदर्श है।इसकी हाई-स्पीड पीसीआई इंटरफ़ेस, एकीकृत डीएमए कंट्रोलर, और संचार प्रोटोकॉल के लिए समर्थन डेटा-गहन नेटवर्किंग कार्यों को कुशलता से संभालने के लिए इसे अच्छी तरह से अनुकूल बनाता है।
2025/03/14 पर
2025/03/13 पर
8000/04/18 पर 147758
2000/04/18 पर 111943
1600/04/18 पर 111349
0400/04/18 पर 83721
1970/01/1 पर 79508
1970/01/1 पर 66916
1970/01/1 पर 63066
1970/01/1 पर 63012
1970/01/1 पर 54081
1970/01/1 पर 52139